Harley Davidson 2009 Sportster Models Service & Electrical Diagnostic Manual
Harley Davidson 2009 Sportster Models Service & Electrical Diagnostic Manual
Couldn't load pickup availability
2009 Sportster Models Service Manual - PDF eBook Download - No Physical Book To Be Shipped
Manuals Included:
- Service Manual #99484-09
- Electrical Diagnostics Manual #99495-09
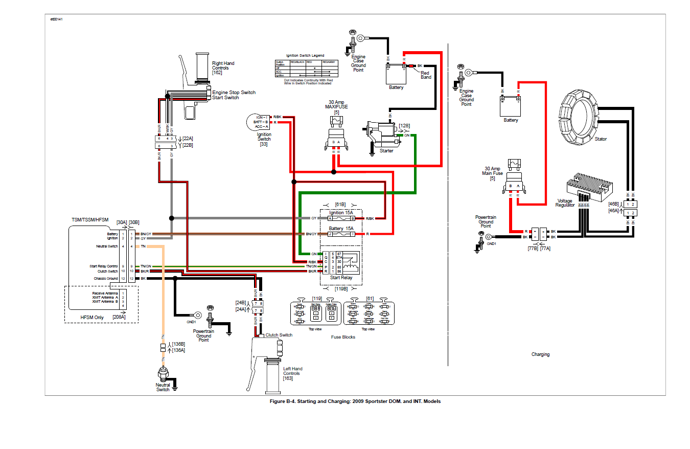
This Service Manual covers all 2009 Sportster Models. This manual has the same structure as the printed version. It is bookmarked, linked and comes with hi-res wiring diagrams. The manual contains step by step instructions, and easy to read illustrations. Basically it covers everything from basic fluid changing instructions to rebuilding the motor.
The latest Adobe Reader is required to work with this eBook.
Models Covered:
- 2009 Harley Davidson Sportster XL883
- 2009 Harley Davidson Sportster XL883
- 2009 Harley Davidson Sportster XL1200R Roadster
- 2009 Harley Davidson Sportster XL883C Custom
- 2009 Harley Davidson Sportster XL1200L Low
- 2009 Harley Davidson Sportster XL883L Low
- 2009 Harley Davidson Sportster XL1200N Nightster
- 2009 Harley Davidson Sportster XL883R
- 2009 Harley Davidson Sportster XR 1200
- 2009 Harley Davidson Sportster XL1200C Custom














Harley Davidson 2009 Sportster Models Service & Electrical Diagnostic Manual
PDF download for 1/4 of the cost of a book. Perfect!!!
Excellent
Printed factory H-D shop manuals are very expensive. I'm not sure of the quality if the aftermarket manuals.
This CD is a complete and genuine H-D, and all of the pages and photos are very clear. Just print your needed section and take it out to the garage.
A real bargain at $20.
Harley Davidson 2009 Sportster Models Service & Electrical Diagnostic Manual