Harley Davidson 2024 Touring Models (FLHX, FLTRX) Service Manual
Harley Davidson 2024 Touring Models (FLHX, FLTRX) Service Manual
Couldn't load pickup availability
2024 Touring Models (FLHX, FLTRX) Service Manual - PDF eBook Download - No Physical Book To Be Shipped
Manuals Included:
- Service Manual #94001162
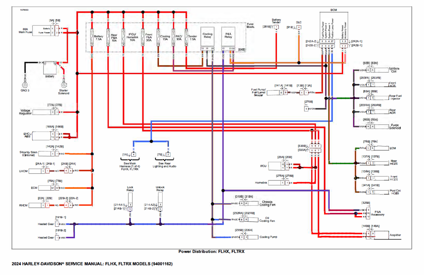
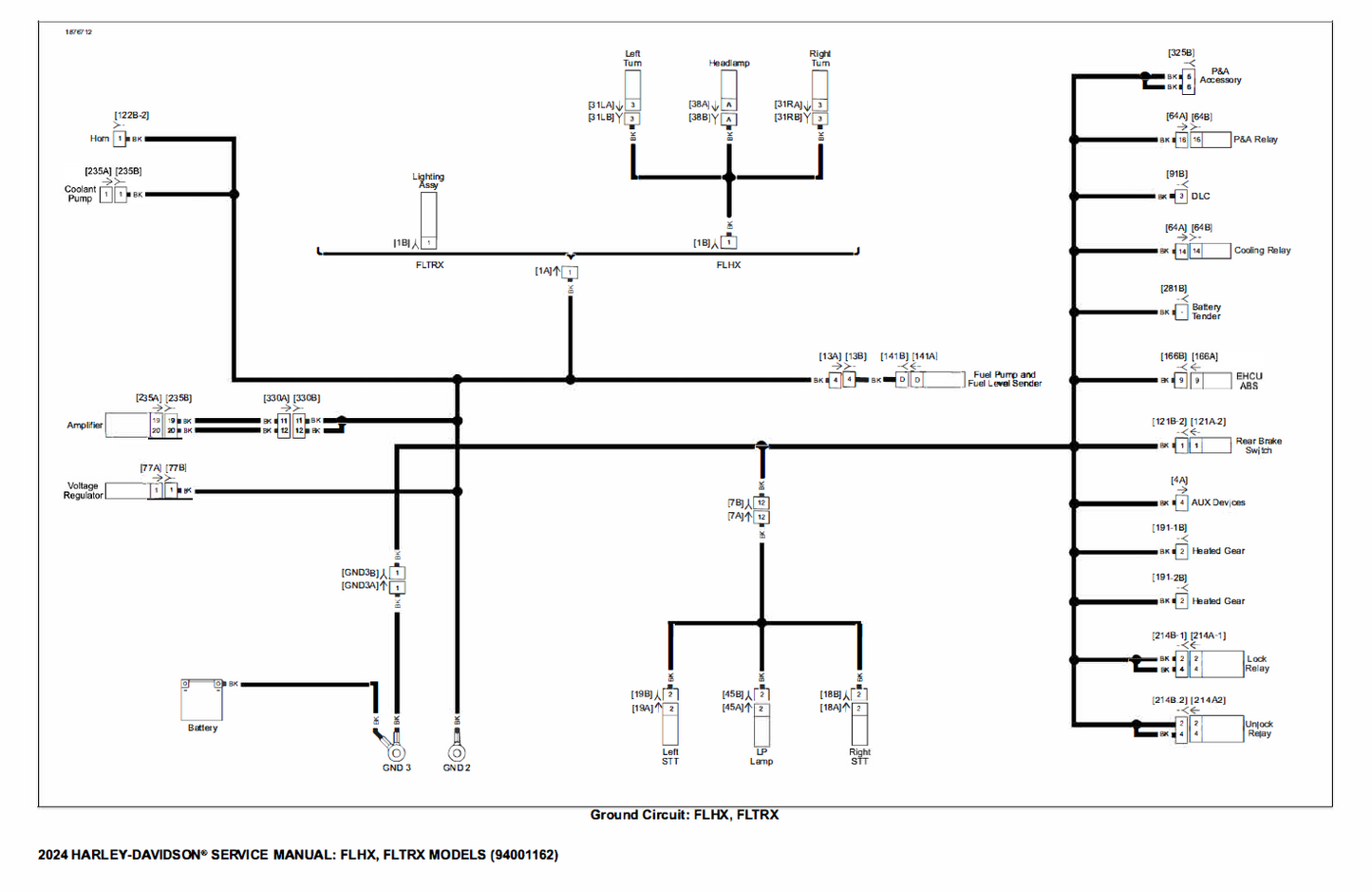
This Service Manual covers 2024 Touring Models FLHX and FLTRX. This manual has the same structure as the printed version. It is bookmarked, linked and comes with wiring diagrams. The manual contains step by step instructions, and easy to read illustrations. Basically it covers everything from basic fluid changing instructions to rebuilding the motor.
The latest Adobe Reader is required to work with this eBook.
Models Covered:
- 2024 Harley Davidson FLHX
- 2024 Harley Davidson FLTRX










It’s awesome and precise.
Awesome prices and fast email delivery. This is my second purchase and am very satisfied.
It is difficult to get from a page back to the index . I wish I would of bought the paper version
Harley Davidson 2024 Touring Models (FLHX, FLTRX) Service Manual
This is a great service manual that contains everything you need to know to service every aspect of your HD motorcycle.