Harley Davidson 2002 Touring Models Service & Electrical Diagnostic Manual
Harley Davidson 2002 Touring Models Service & Electrical Diagnostic Manual
Couldn't load pickup availability
2002 Touring Models Service Manual - PDF eBook Download - No Physical Book To Be Shipped
Manuals Included:
- Service Manual #99483-02
- Electrical Diagnostics Manual #99497-02
- Police Service Supplement #99483-02SP
- FLHRSEI Service Supplement #99500-02
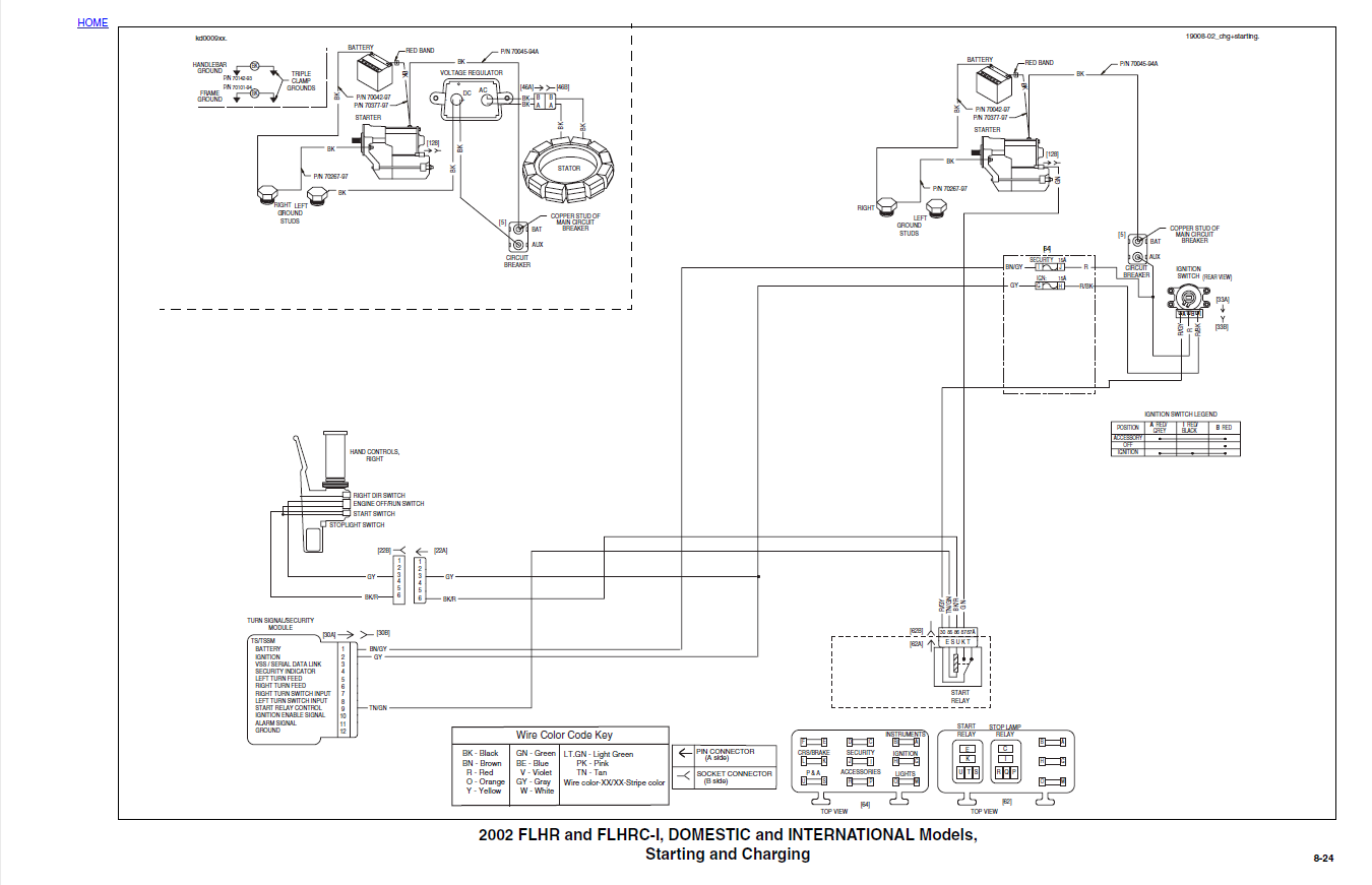
This Service Manual covers all 2002 Touring Models. This manual has the same structure as the printed version. It is bookmarked, linked and comes with hi-res wiring diagrams. The manual contains step by step instructions, and easy to read illustrations. Basically it covers everything from basic fluid changing instructions to rebuilding the motor.
The latest Adobe Reader is required to work with this eBook.
Models Covered:
- 2002 Harley Davidson FLHT Electra Glide Standard
- 2002 Harley Davidson FLHTC/FLHTC-I Electra Glide Classic
- 2002 Harley Davidson FLHTC Shrine
- 2002 Harley Davidson FLHR/FLHR-I Road King
- 2002 Harley Davidson FLHTCU-I/FLHTCU-I Ultra Classic
- 2002 Harley Davidson FLTR/FLTR-I Road Glide
- 2002 Harley Davidson FLT Police Models
- 2002 Harley Davidson FLHRSEI Screamin Eagle Road King











Excellent manuals works as described.
It’s hard to find specifics for my bike with this manual.
This is a really good manual. It includes the service and electrical diagnostic manuals. It has already paid for itself and more allowing me to correctly diagnose and find two different problems that I fixed. I would highly recommend this manual.