1
/
of
15
Harley Davidson 2001 Softail Models Service & Electrical Diagnostic Manual
Harley Davidson 2001 Softail Models Service & Electrical Diagnostic Manual
No reviews
Quantity
Couldn't load pickup availability
2001 Softail Models Service Manual - PDF eBook Download - No Physical Book To Be Shipped
Manuals Included:
- Service Manual #99482-01A
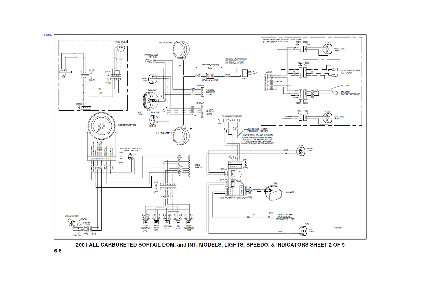
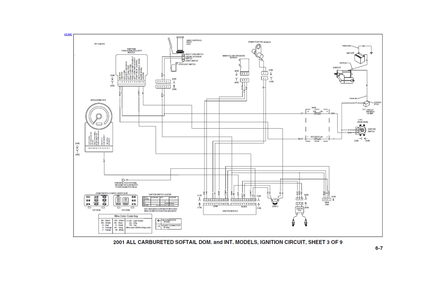
- Electrical Diagnostics Manual #99495-01
This Service Manual covers all 2001 Softail Models. It is bookmarked, linked and comes with hi-res wiring diagrams. The manual contains step by step instructions, and easy to read illustrations. Basically it covers everything from basic fluid changing instructions to rebuilding the motor.
The latest Adobe Reader is required to work with this eBook.
Models Covered:
- 2001 Harley Davidson FXSTS FXSTSI Springer Softail
- 2001 Harley Davidson FXSTD FXSTDI Softail Deuce
- 2001 Harley Davidson FXSTB FXSTBI Night Train
- 2001 Harley Davidson FXST FXSTI Softail Standard
- 2001 Harley Davidson FLSTS Heritage Springer
- 2001 Harley Davidson FLSTF FLSTFI Fat Boy
- 2001 Harley Davidson FLSTC FLSTCI Heritage Softail Classic














