1
/
of
13
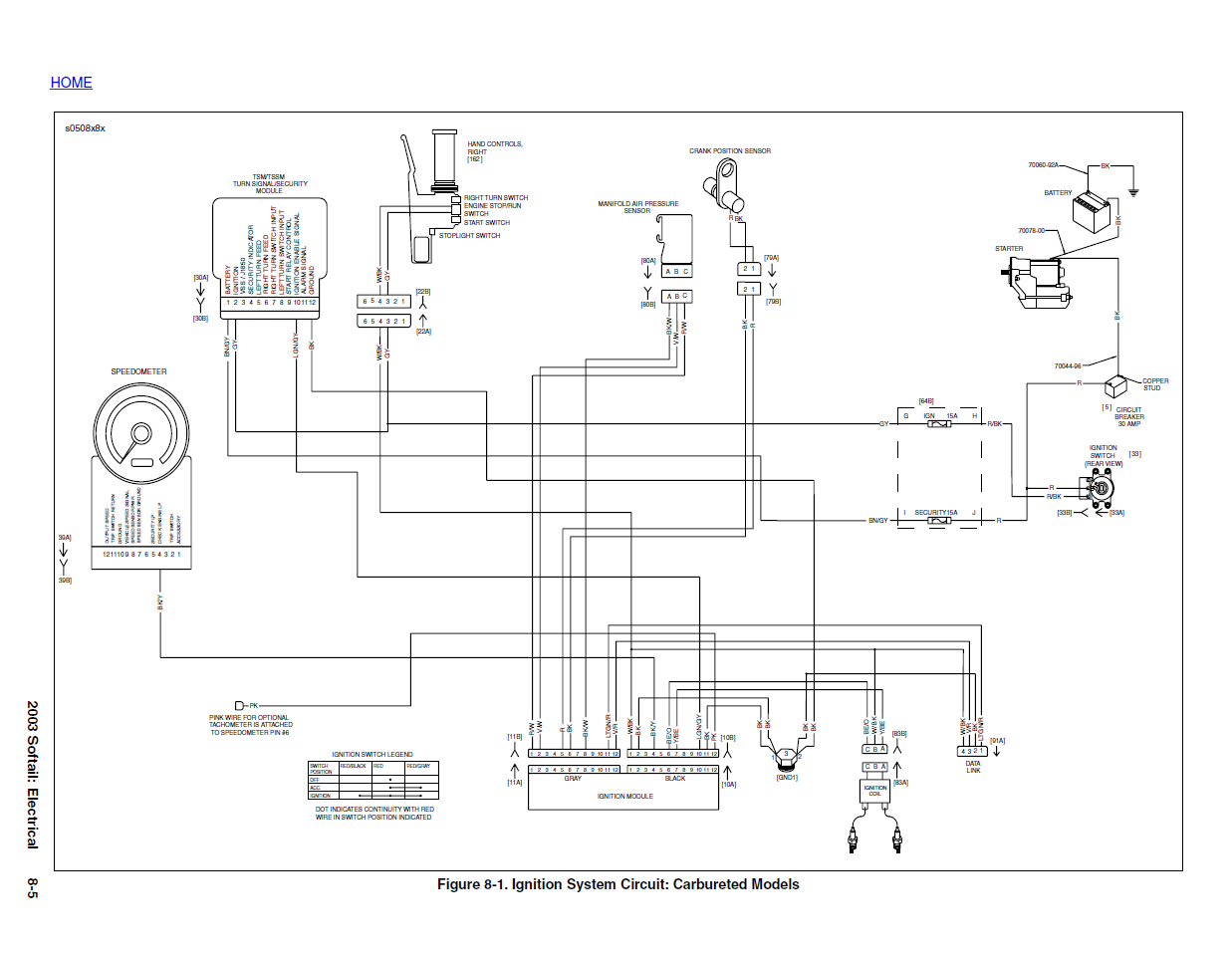
Harley Davidson 2003 Softail Models Service & Electrical Diagnostic Manual
Harley Davidson 2003 Softail Models Service & Electrical Diagnostic Manual
2 reviews
Quantity
Couldn't load pickup availability
2003 Softail Models Service Manual - PDF eBook Download - No Physical Book To Be Shipped
Manuals Included:
- Service Manual #99482-03
- Electrical Diagnostics Manual #99498-03
- FXSTDSE Service Supplement #99494-03
This Service Manual covers all 2003 Softail Models. It is bookmarked, linked and comes with hi-res wiring diagrams. The manual contains step by step instructions, and easy to read illustrations. Basically it covers everything from basic fluid changing instructions to rebuilding the motor.
The latest Adobe Reader is required to work with this eBook.
Models Covered:
- 2003 Harley Davidson FXST & FXSTI Softail Standard
- 2003 Harley Davidson FLSTC & FLSTCI Heritage Softail Classic
- 2003 Harley Davidson FXSTS & FXSTSI Springer Softail
- 2003 Harley Davidson FLSTF & FLSTFI Fat Boy
- 2003 Harley Davidson FXSTD & FXSTDI Softail Deuce
- 2003 Harley Davidson FXSTB & FXSTBI Night Train
- 2003 Harley Davidson FXSTDSE













G
Gary Wisniewski Harley Davidson 2003 Softail Models Service & Electrical Diagnostic Manual
D
Daniel Sandoval A very good manual. I will Utilize this resource many more times.... In detailed , exactly what I needed to know. Excellent investment.