Harley Davidson 2007 Dyna Models Service Manual & Electrical Diagnostic Manual
Harley Davidson 2007 Dyna Models Service Manual & Electrical Diagnostic Manual
Couldn't load pickup availability
2007 Dyna Models Service Manual - PDF eBook Download - No Physical Book To Be Shipped
Manuals Included:
- Service Manual #99481-07
- Electrical Diagnostics Manual #99496-07
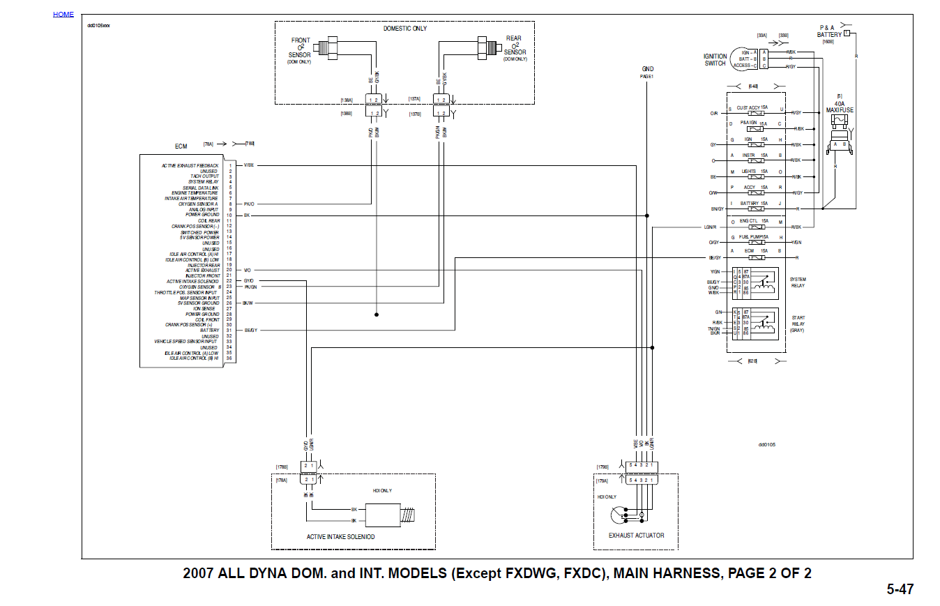
This Service Manual covers all 2007 Dyna Models. It is bookmarked, linked and comes with hi-res wiring diagrams. The manual contains step by step instructions, and easy to read illustrations. Basically it covers everything from basic fluid changing instructions to rebuilding the motor.
The latest Adobe Reader is required to work with this eBook.
Models Covered:
- 2007 Harley Davidson FXDWG Dyna Wide Glide
- 2007 Harley Davidson FXDL Dyna Low Rider
- 2007 Harley Davidson FXD Dyna Super Glide
- 2007 Harley Davidson FXDC Dyna Super Glide Custom
- 2007 Harley Davidson FXDB Dyna Street Bob









The manual is good I wish it was searchable a you could jump to the section highlighted in blue. But I can’t so I am forced to scroll.
All the manuals I have are text searchable.
Harley Davidson 2007 Dyna Models Service Manual & Electrical Diagnostic Manual
Very helpful and goes into detail about torch specs all the way too blueprints for electrical, worth the money!
EXCELLENT!!!! VALID/REAL HD Service Manual!!!! I just bought the '07 dyna, and its the real deal!!!! Def worth every penny (20 bucks) for a 100+ dollar manual cant be beat!!!!
Great to have the factory manual on my phone!