Harley Davidson 2008 Softail Models Service & Electrical Diagnostic Manual
Harley Davidson 2008 Softail Models Service & Electrical Diagnostic Manual
Couldn't load pickup availability
2008 Softail Models Service Manual - PDF eBook Download - No Physical Book To Be Shipped
Manuals Included:
- Service Manual #99482-08
- Electrical Diagnostics Manual #99498-08
- FXSTSSE2 Service Supplement #99494-08
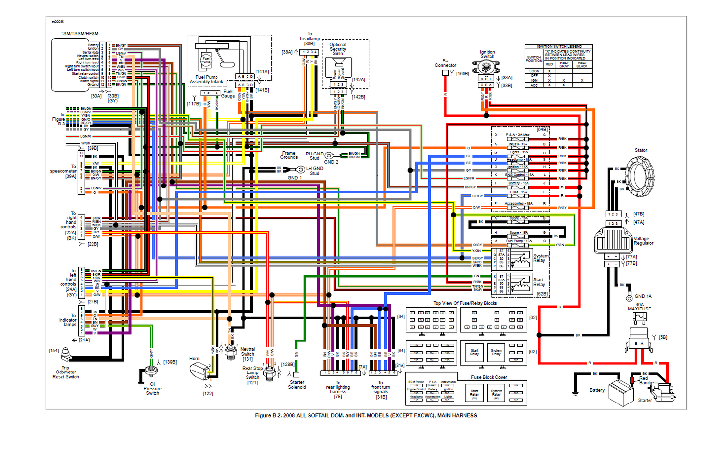
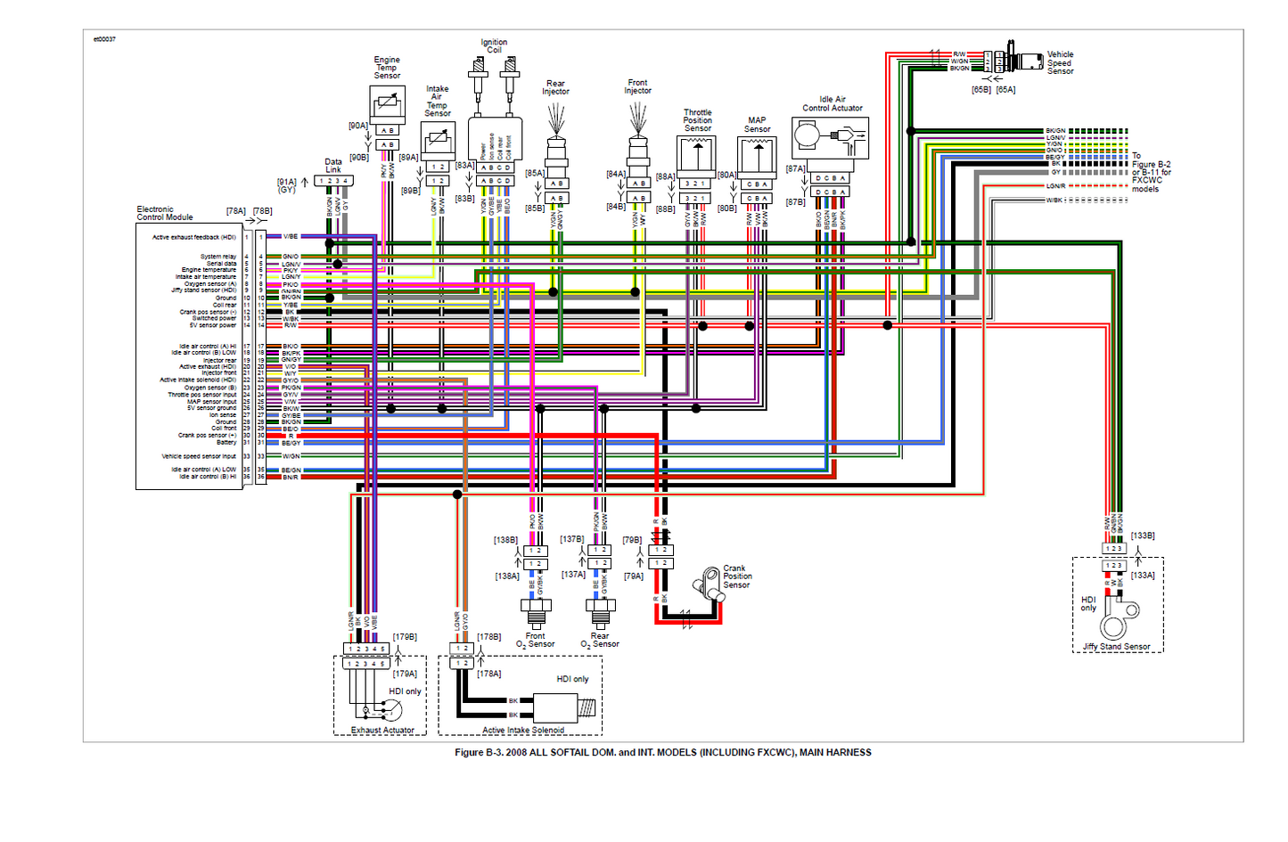
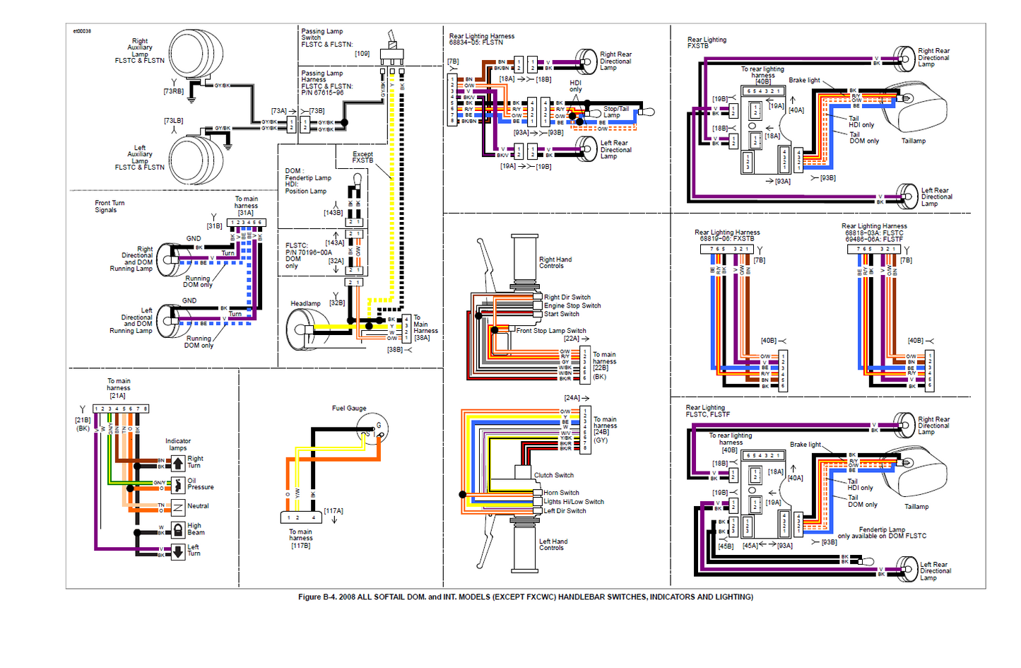
This Service Manual covers all 2008 Softail Models. It is bookmarked, linked and comes with hi-res wiring diagrams. The manual contains step by step instructions, and easy to read illustrations. Basically it covers everything from basic fluid changing instructions to rebuilding the motor.
The latest Adobe Reader is required to work with this eBook.
Models Covered:
- 2008 Harley Davidson FXST Softail Standard
- 2008 Harley Davidson FLSTF Shrine
- 2008 Harley Davidson FLSTC Heritage Softail Classic
- 2008 Harley Davidson FLSTC Shrine
- 2008 Harley Davidson FLSTF Fat Boy
- 2008 Harley Davidson FXCW Softail Rocker
- 2008 Harley Davidson FXSTB Night Train
- 2008 Harley Davidson FXCWC Softail Rocker Custom
- 2008 Harley Davidson FLSTN Softail Deluxe
- 2008 Harley Davidson FXSTC Softail Custom
- 2008 Harley Davidson FLST Heritage Softail
- 2008 Harley Davidson FLSTSB Softail Cross Bones
- 2008 Harley Davidson FXSTSSE2 Screamin Eagle Springer Softail












Harley Davidson 2008 Softail Models Service & Electrical Diagnostic Manual
It provided me all the information i needed and more. Thank you!!!👍
Couldn’t be happier with the manual. I don’t plan to do any engine rebuilding, but if I did, this manual would get me through it. Highly recommend!
This manual is very model specific. Every spec and procedure is in here. Easy to navigate to get the answers and help needed for every task on your Harley Davidson.