Harley Davidson 2009 Dyna Models Service Manual & Electrical Diagnostic Manual
Harley Davidson 2009 Dyna Models Service Manual & Electrical Diagnostic Manual
Couldn't load pickup availability
2009 Dyna Models Service Manual - PDF eBook Download - No Physical Book To Be Shipped
Manuals Included:
- Service Manual #99481-09
- Electrical Diagnostics Manual #99496-09
- FXDFSE Service Supplement #99252-09
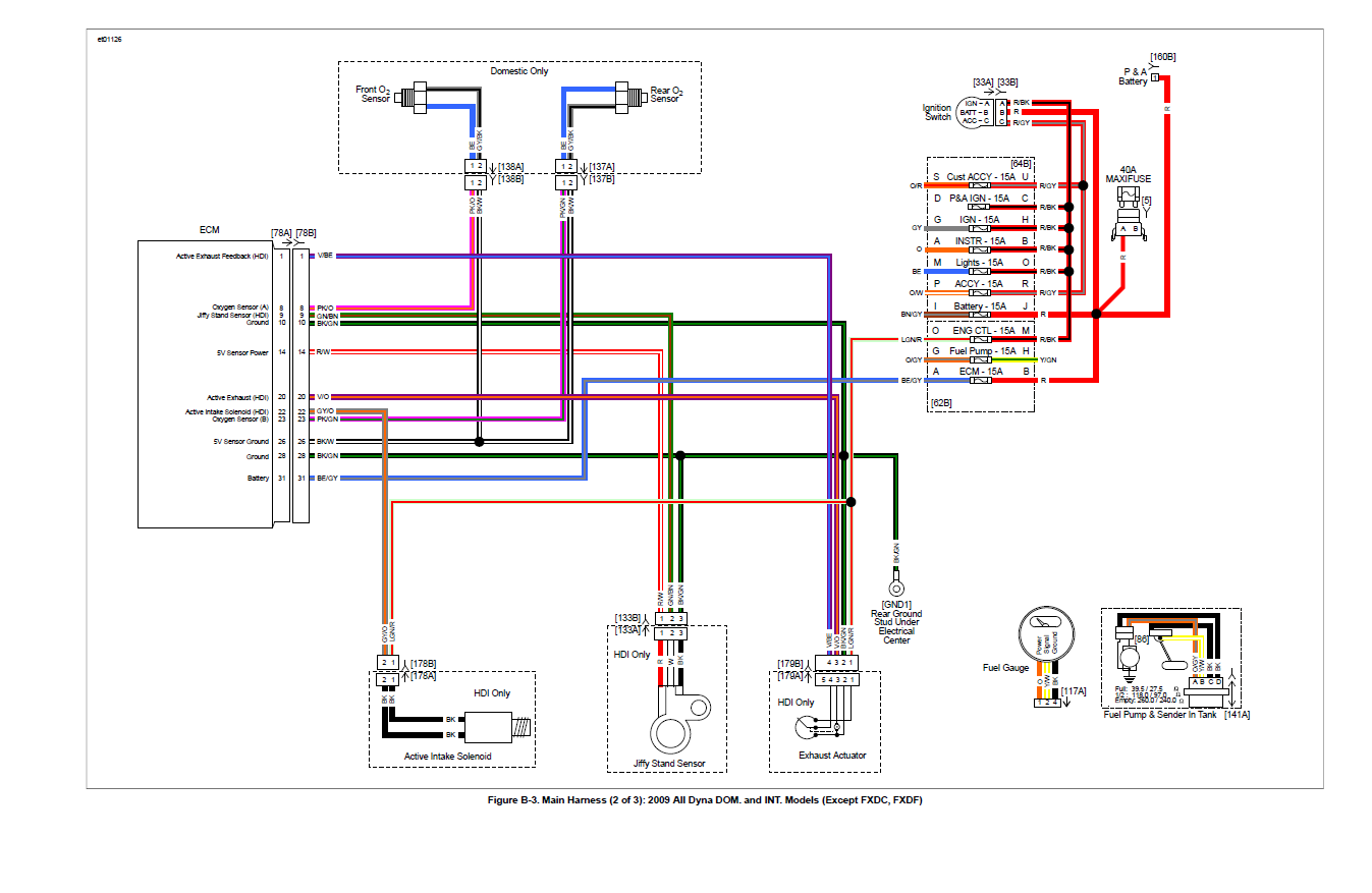
This Service Manual covers all 2009 Dyna Models. This manual has the same structure as the printed version. It is bookmarked, linked and comes with hi-res wiring diagrams. The manual contains step by step instructions, and easy to read illustrations. Basically it covers everything from basic fluid changing instructions to rebuilding the motor.
The latest Adobe Reader is required to work with this eBook.
Models Covered:
- 2009 Harley Davidson FXD Dyna Super Glide
- 2009 Harley Davidson FXDC Dyna Super Glide Custom
- 2009 Harley Davidson FXDB Street Bob
- 2009 Harley Davidson FXDL Dyna Low Rider
- 2009 Harley Davidson FXDF Fat Bob
- 2009 Harley Davidson FXDFSE CVO Dyna Fat Bob















I bought this thinking there would be diagnostic specs for electeonic sensors - TOS, MAP, IAT, etc. No such luck amd I have wasted my money because Lowbrow customs offers certain HD model service manuals for free.
I'm not sure what you are missing. This is the OEM manual from HD.
It's everything the title says it is. I usually print out just the pages I need.
The ordered these two manuals because the quality was better than the free versions I had found. You can zoom in on schematics and still read them. I didn't like that both manuals were combined into one file and it takes a while to find the beginning of the 2nd manual. I have pdf editing software and was able to split them up into two seperate files which makes them a lot easier to use.