Harley Davidson 2013 Sportster Models Service & Electrical Diagnostic Manual
Harley Davidson 2013 Sportster Models Service & Electrical Diagnostic Manual
Couldn't load pickup availability
2013 Sportster Models Service Manual - PDF eBook Download - No Physical Book To Be Shipped
Manuals Included:
- Service Manual #99484-13
- Electrical Diagnostics Manual #99495-13
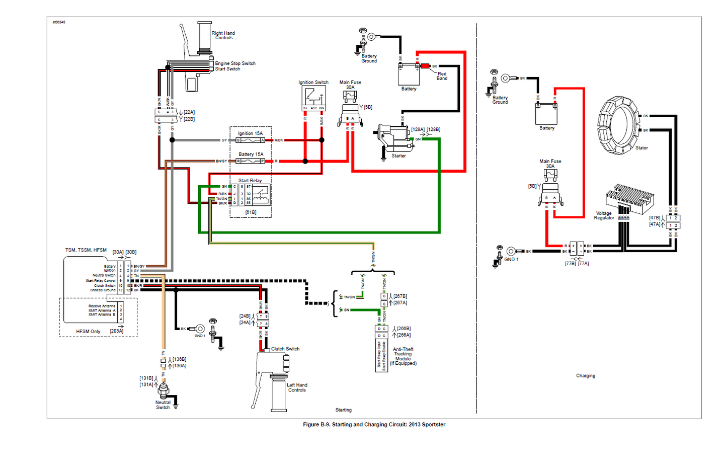
This Service Manual covers all 2013 Sportster Models. This manual has the same structure as the printed version. It is bookmarked, linked and comes with hi-res wiring diagrams. The manual contains step by step instructions, and easy to read illustrations. Basically it covers everything from basic fluid changing instructions to rebuilding the motor.
The latest Adobe Reader is required to work with this eBook.
Models Covered:
- 2013 Harley Davidson Sportster XR1200X
- 2013 Harley Davidson Sportster XL883L SuperLow
- 2013 Harley Davidson Sportster XL883R 883 Roadster
- 2013 Harley Davidson Sportster XL1200C 1200 Custom
- 2013 Harley Davidson Sportster XL1200C ANV1200 Custom 110th Anniversary Edition
- 2013 Harley Davidson Sportster XL1200X Forty-Eight
- 2013 Harley Davidson Sportster XL883N Iron 883
- 2013 Harley Davidson Sportster XL1200V Seventy-Two
- 2013 Harley Davidson Sportster XL1200CP 1200 Custom
- 2013 Harley Davidson Sportster XL1200CA 1200 Custom Limited A
- 2013 Harley Davidson Sportster XL1200CB 1200 Custom Limited B













Harley Davidson 2013 Sportster Models Service & Electrical Diagnostic Manual
I haven't been able to find it
As always Excellent service manual has everything you need to fix or find a electrical problem