Harley Davidson 2015 Softail Models Service & Electrical Diagnostic Manual
Harley Davidson 2015 Softail Models Service & Electrical Diagnostic Manual
Couldn't load pickup availability
2015 Softail Models Service Manual - PDF eBook Download - No Physical Book To Be Shipped
Manuals Included:
- Service Manual #99482-15
- Electrical Diagnostics Manual #99498-15
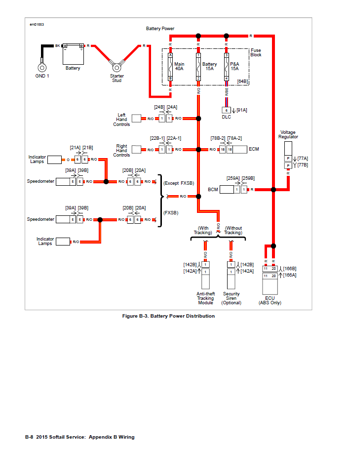
This Service Manual covers all 2015 Softail Models. This manual has the same structure as the printed version. It is bookmarked, linked and comes with hi-res wiring diagrams. The manual contains step by step instructions, and easy to read illustrations. Basically it covers everything from basic fluid changing instructions to rebuilding the motor.
The latest Adobe Reader is required to work with this eBook.
Models Covered:
- 2015 Harley Davidson FXSB Breakout
- 2015 Harley Davidson FLSTN Softail Deluxe
- 2015 Harley Davidson FXST Softail Standard
- 2015 Harley Davidson FLS Softail Slim
- 2015 Harley Davidson FLSTF Fat Boy
- 2015 Harley Davidson FLSTFB Fat Boy Lo
- 2015 Harley Davidson FLSTFB Fat Boy Special
- 2015 Harley Davidson FLSTC Heritage Softail Classic














great help
Just what I needed. I have always had a hard copy of many motorcycle Service manuals. Was not sure at first but you have made me a believer. Very good quality and exactly what I needed. I only print what is needed to use or explain to others about repairs. I will be downloading more manuals in the future. Thank You.
Flow charts for codes great wiring diagrams
All around great info for everything on bike
Thank you for the good price, great product, and fast delivery. Will definitely order from you again.