Harley Davidson 2016 Softail Models Service & Electrical Diagnostic Manual
Harley Davidson 2016 Softail Models Service & Electrical Diagnostic Manual
Couldn't load pickup availability
2016 Softail Models Service Manual - PDF eBook Download - No Physical Book To Be Shipped
Manuals Included:
- Service Manual #99482-16
- Electrical Diagnostics Manual #99498-16
- FXSE Service Supplement #94000375
This Service Manual covers all 2016 Softail Models. This manual has the same structure as the printed version. It is bookmarked, linked and comes with hi-res wiring diagrams. The manual contains step by step instructions, and easy to read illustrations. Basically it covers everything from basic fluid changing instructions to rebuilding the motor.
The latest Adobe Reader is required to work with this eBook.
Models Covered:
- 2016 Harley Davidson FXSB Breakout
- 2016 Harley Davidson FLSTN Softail Deluxe
- 2016 Harley Davidson FLSS Softail Slim S
- 2016 Harley Davidson FLS Softail Slim
- 2016 Harley Davidson FLSTF Fat Boy
- 2016 Harley Davidson FLSTFB Fat Boy Lo
- 2016 Harley Davidson FLSTFB Fat Boy Special
- 2016 Harley Davidson FLSTFBS Fat Boy S
- 2016 Harley Davidson FLSTC Heritage Softail Classic
- 2016 Harley Davidson FXSE CVO










good
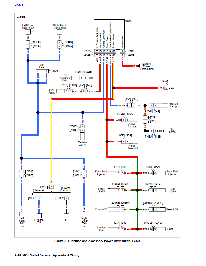
Schematics aren’t always accurate
Great way to get these books, I have bought them from here for 4 of my vehicles, thanks for this
Easy and affordable way to get the manual. Since most everything is electronic, work bench has computer for manual(s) and tuning data!