Harley Davidson 2020 Softail Models Service Manual
Harley Davidson 2020 Softail Models Service Manual
Couldn't load pickup availability
2020 Softail Models Service Manual - PDF eBook Download - No Physical Book To Be Shipped
Manuals Included:
- Service Manual #94000737
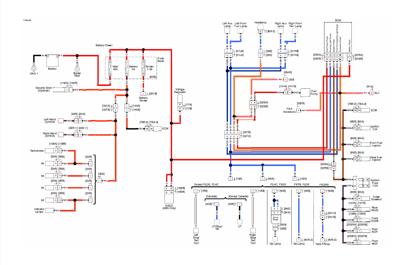
This Service Manual covers all 2020 Softail Models. This manual has the same structure as the printed version. It is bookmarked, linked and comes with hi-res wiring diagrams. The manual contains step by step instructions, and easy to read illustrations. Basically it covers everything from basic fluid changing instructions to rebuilding the motor.
The latest Adobe Reader is required to work with this eBook.
Models Covered:
- 2020 Harley Davidson FXBB Street Bob
- 2020 Harley Davidson FXFB Fat Bob
- 2020 Harley Davidson FXFBS Fat Bob 114
- 2020 Harley Davidson FXLR Low Rider
- 2020 Harley Davidson FXLRS Low Rider S
- 2020 Harley Davidson FLSB Sport Glide
- 2020 Harley Davidson FXBRS Breakout 114
- 2020 Harley Davidson FLSL Softail Slim
- 2020 Harley Davidson FLFB Fat Boy
- 2020 Harley Davidson FLFBS Fat Boy 114
- 2020 Harley Davidson FLDE Deluxe
- 2020 Harley Davidson FLHC Heritage Classic
- 2020 Harley Davidson FLHCS Heritage Classic 114
- 2020 Harley Davidson FXDRS FXDR 114








Yes the secret to doing-a job once and correct. Stop guessing and get your ride right. Easy to order and dosnload.
Its exactly as described. No more no less!
Very good investment and well written and easy to understand with pictures. Glad I got it.
Harley Davidson 2020 Softail Models Service Manual
Nice to own the real deal in pdf.