Harley Davidson 2022 Softail Models Service Manual
Harley Davidson 2022 Softail Models Service Manual
Couldn't load pickup availability
2022 Softail Models Service Manual - PDF eBook Download - No Physical Book To Be Shipped
Manuals Included:
- Service Manual #94000936
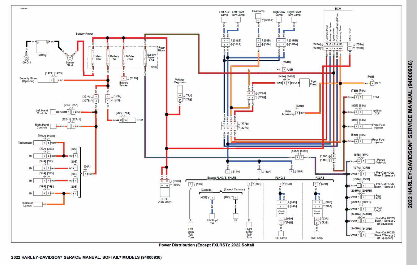
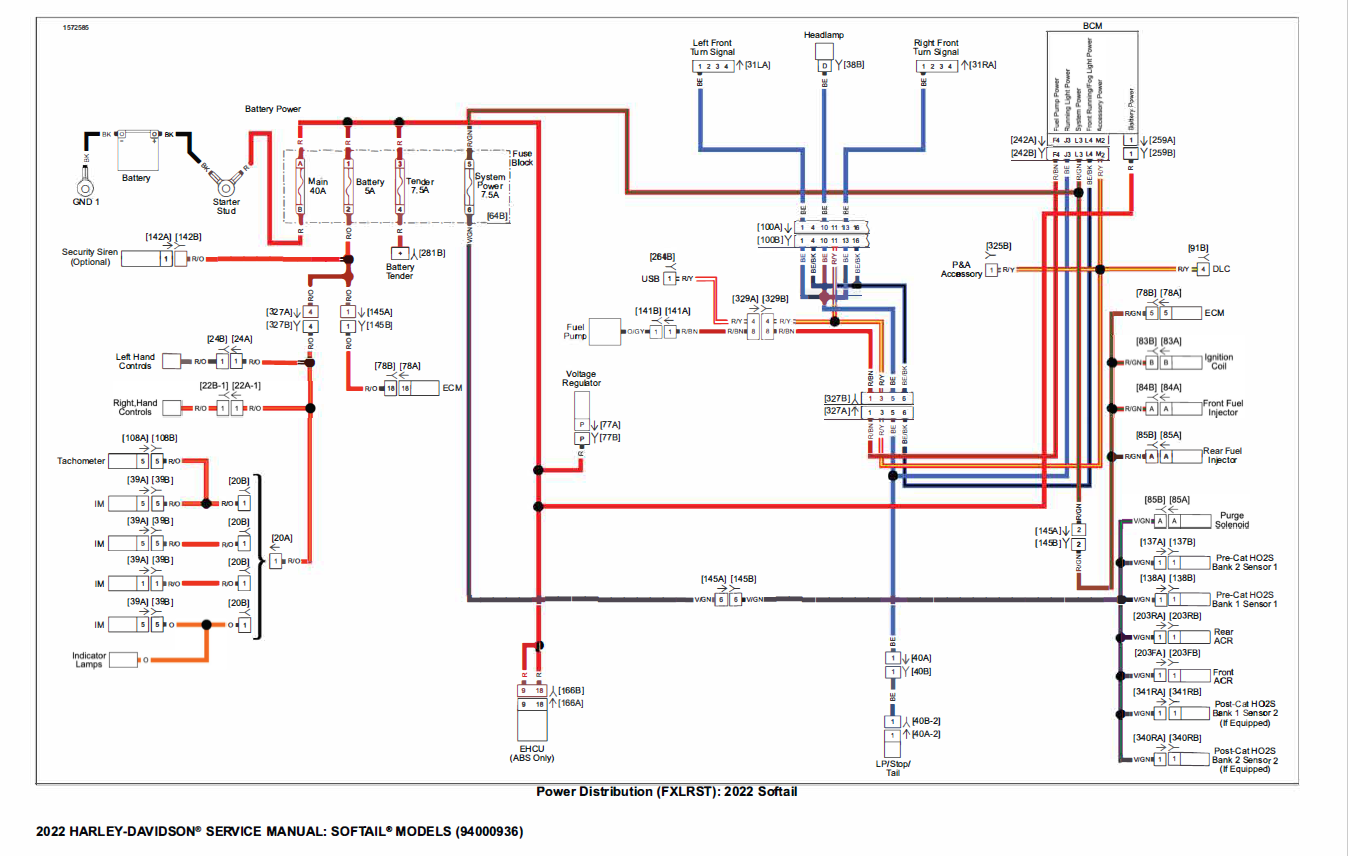
This Service Manual covers all 2022 Softail Models. This manual has the same structure as the printed version. It is bookmarked, linked and comes with hi-res wiring diagrams. The manual contains step by step instructions, and easy to read illustrations. Basically it covers everything from basic fluid changing instructions to rebuilding the motor.
The latest Adobe Reader is required to work with this eBook.
Models Covered:
- 2022 Harley Davidson FXBBS Street Bob 114
- 2022 Harley Davidson FXFBS Fat Bob 114
- 2022 Harley Davidson FXLRST Low Rider ST
- 2022 Harley Davidson FXLRS Low Rider S
- 2022 Harley Davidson FLSB Sport Glide
- 2022 Harley Davidson FXBRS Breakout 114
- 2022 Harley Davidson FXST Softail Standart
- 2022 Harley Davidson FLFBS Fat Boy 114
- 2022 Harley Davidson FLHCS Heritage Classic 114













Really super nice to have
I already saved more than the cost of the manual doing my own fluid change.
Harley Davidson 2022 Softail Models Service Manual
Excellent. All links worked as advertised. All pages clear and straight. Great product.
Learning a lot and this manual is a big part of it.thanks