Harley Davidson 2023 Softail Models Service Manual
Harley Davidson 2023 Softail Models Service Manual
Couldn't load pickup availability
2023 Softail Models Service Manual - PDF eBook Download - No Physical Book To Be Shipped
Manuals Included:
- Service Manual #94001023
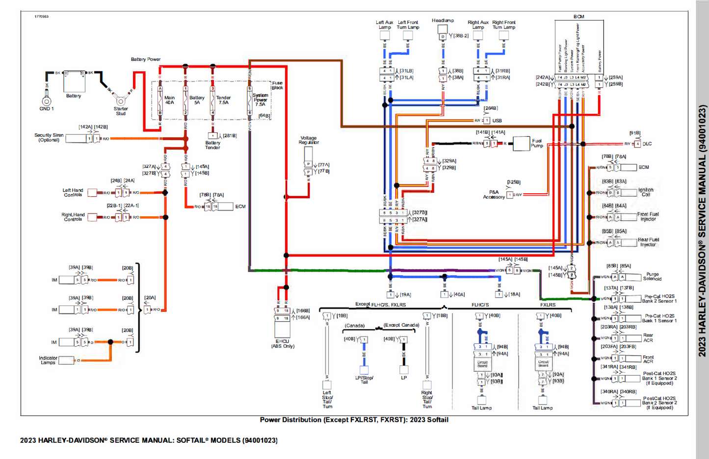
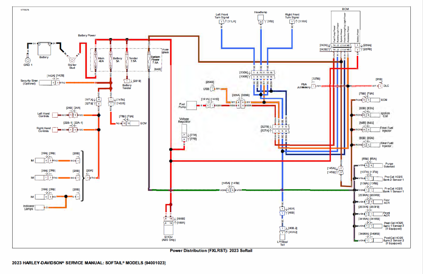
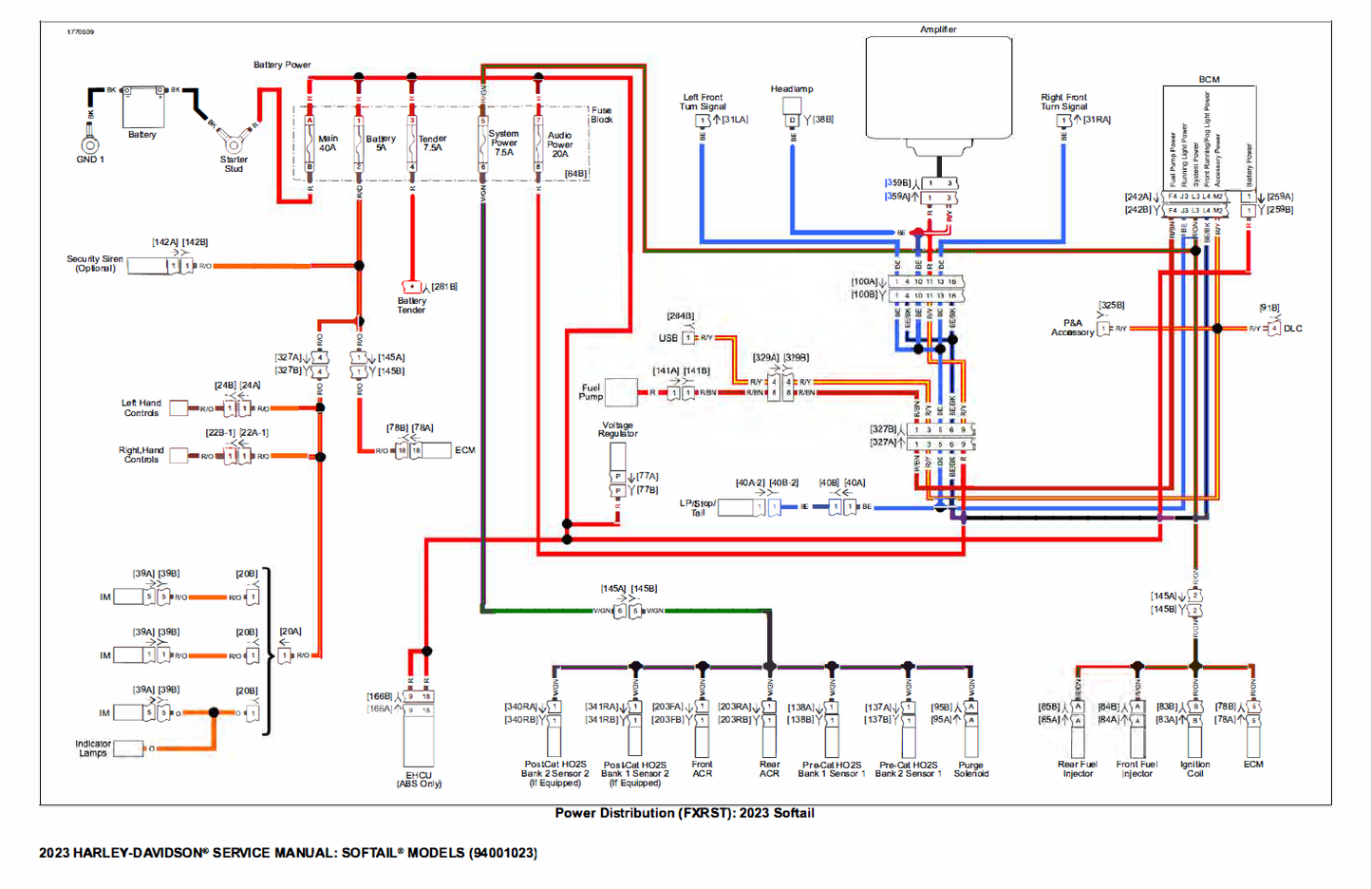
This Service Manual covers all 2023 Softail Models except CVO models. This manual has the same structure as the printed version. It is bookmarked, linked and comes with wiring diagrams. The manual contains step by step instructions, and easy to read illustrations. Basically it covers everything from basic fluid changing instructions to rebuilding the motor.
The latest Adobe Reader is required to work with this eBook.
Models Covered:
- 2023 Harley Davidson Softail Models (All except CVO models)











Loved that I could download to my iPad. Easy process and easy to access. Price was good too!
Having to be located near London, Ontario - there is no one near by to do warranty work. The closing of the two nearby (Rocky’s and Blackbridge) means the work has to go 2 hours away with a 3 to 4 week wait. I used it to replace front fork seal and was excellent for all needed, especially torque settings. This was on a 2023 Fxbbs Street Bob.
A must have for the home wrench. $300+ for a hard copy or $20 for the pdf 🤔 uhhh... no brainer.
Harley Davidson 2023 Softail Models Service Manual
Instant download of your device manual.
It’s that simple. Thanks