Harley Davidson 2023 Sportster RH975 Service Manual
Harley Davidson 2023 Sportster RH975 Service Manual
Couldn't load pickup availability
2023 Sportster RH975 Service Manual - PDF eBook Download - No Physical Book To Be Shipped
Manuals Included:
- Service Manual #94001030
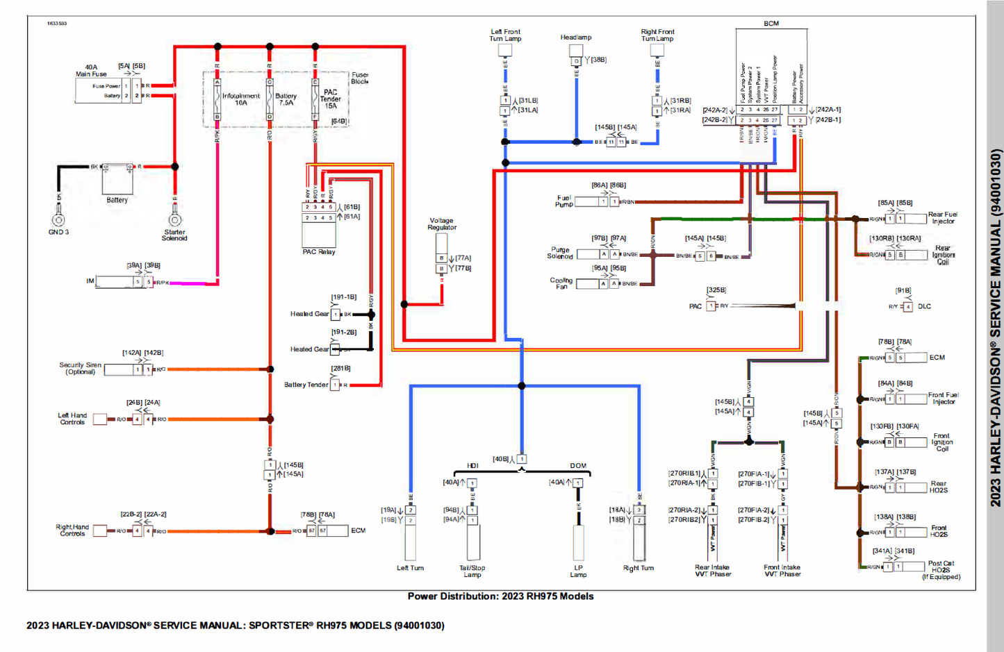
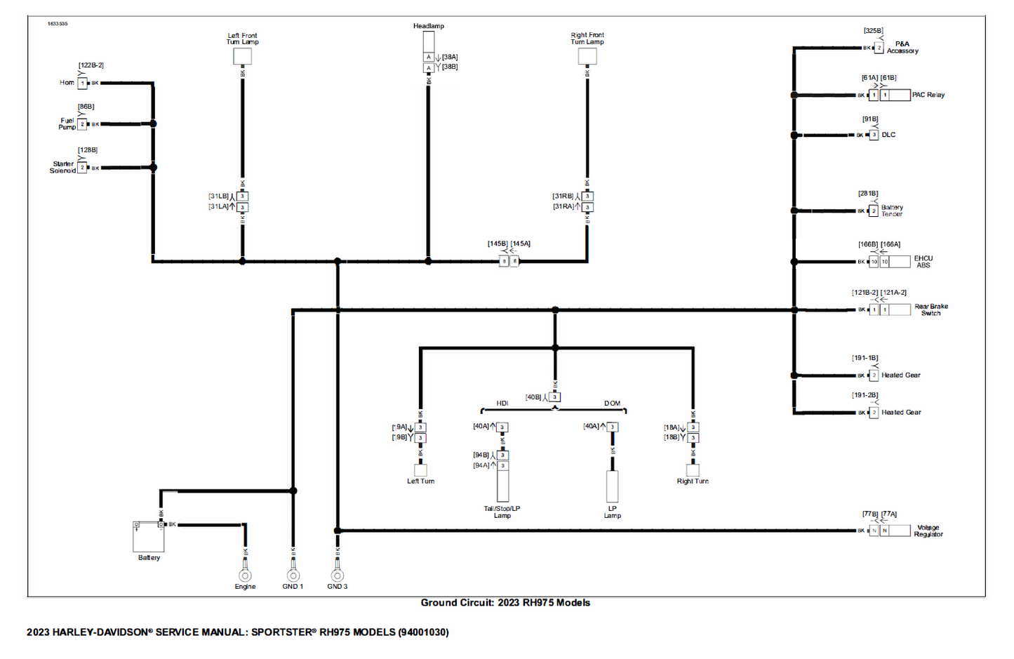
This Service Manual covers the 2023 Sportster RH975. This manual has the same structure as the printed version. It is bookmarked, linked and comes with wiring diagrams. The manual contains step by step instructions, and easy to read illustrations. Basically it covers everything from basic fluid changing instructions to rebuilding the motor.
The latest Adobe Reader is required to work with this eBook.
Models Covered:
- 2023 Harley Davidson Sportster RH975









No french manuel !
Sorry, we are just a small family ran website based in the USA.
Email sent quickly, happy with my purchase
very easy reading and understanding.
its a good tool if you're going to work on your bike.