Harley Davidson 2023 Touring Models Service Manual
Harley Davidson 2023 Touring Models Service Manual
Couldn't load pickup availability
2023 Touring Models Service Manual - PDF eBook Download - No Physical Book To Be Shipped
Manuals Included:
- Service Manual #94001024
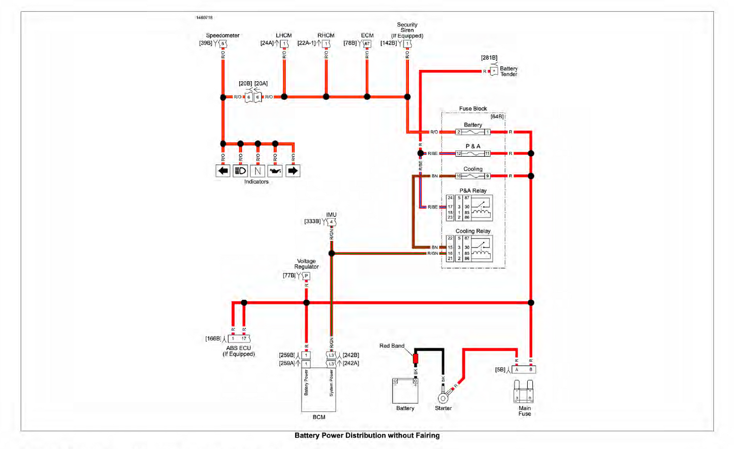
This Service Manual covers all 2023 Touring Models except CVO models. This manual has the same structure as the printed version. It is bookmarked, linked and comes with wiring diagrams. The manual contains step by step instructions, and easy to read illustrations. Basically it covers everything from basic fluid changing instructions to rebuilding the motor.
The latest Adobe Reader is required to work with this eBook.
Models Covered:
- 2023 Harley Davidson Touring Models (All except CVO models)

Harley Davidson 2023 Touring Models Service Manual
The whole process was fast and straight forward. I emailed a quick question and got an answer within a hour. I was able to download the manual and print off what needed with ease.
Works great. I love the ability to click on a topic and it takes me right to that page.I wish you guys carried the trike supplement.
This is a must for anyone who works on their bike. great value over ordering a paper copy from HD. Being able to print the pages you need for that job and not care if they get dirty is a plus.
Harley Davidson 2023 Touring Models Service Manual