Harley Davidson 2024 Softail Models Service Manual
Harley Davidson 2024 Softail Models Service Manual
Couldn't load pickup availability
2024 Softail Models Service Manual - PDF eBook Download - No Physical Book To Be Shipped
Manuals Included:
- Service Manual #94001199
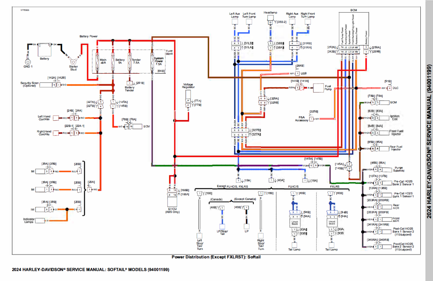
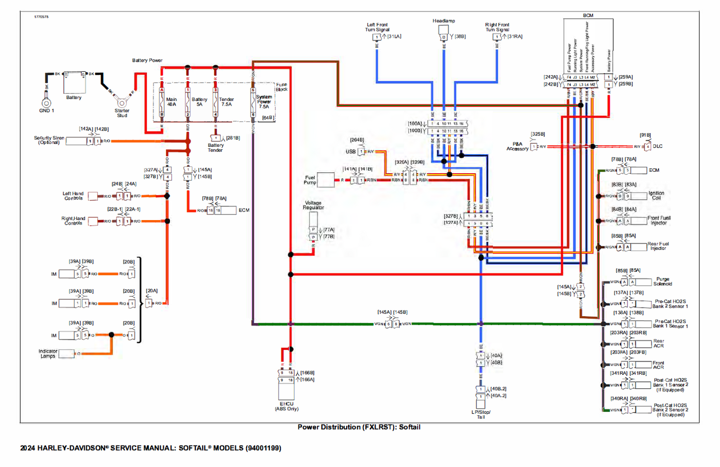
This Service Manual covers all 2024 Softail Models except CVO models. This manual has the same structure as the printed version. It is bookmarked, linked and comes with wiring diagrams. The manual contains step by step instructions, and easy to read illustrations. Basically it covers everything from basic fluid changing instructions to rebuilding the motor.
The latest Adobe Reader is required to work with this eBook.
Models Covered:
- 2024 Harley Davidson Softail Models (All)










Fast service and pdf worked great
Everything i needed
These are what we needed in the shop. Easy search, acutal HD specs.
Is nice to have access to the service manual of your bike for a reasonable price.
Good product