1
/
of
10
Harley Davidson 2024 Sportster RH1250S Service Manual
Harley Davidson 2024 Sportster RH1250S Service Manual
1 review
Quantity
Couldn't load pickup availability
2024 Sportster RH975 Service Manual - PDF eBook Download - No Physical Book To Be Shipped
Manuals Included:
- Service Manual #94001167
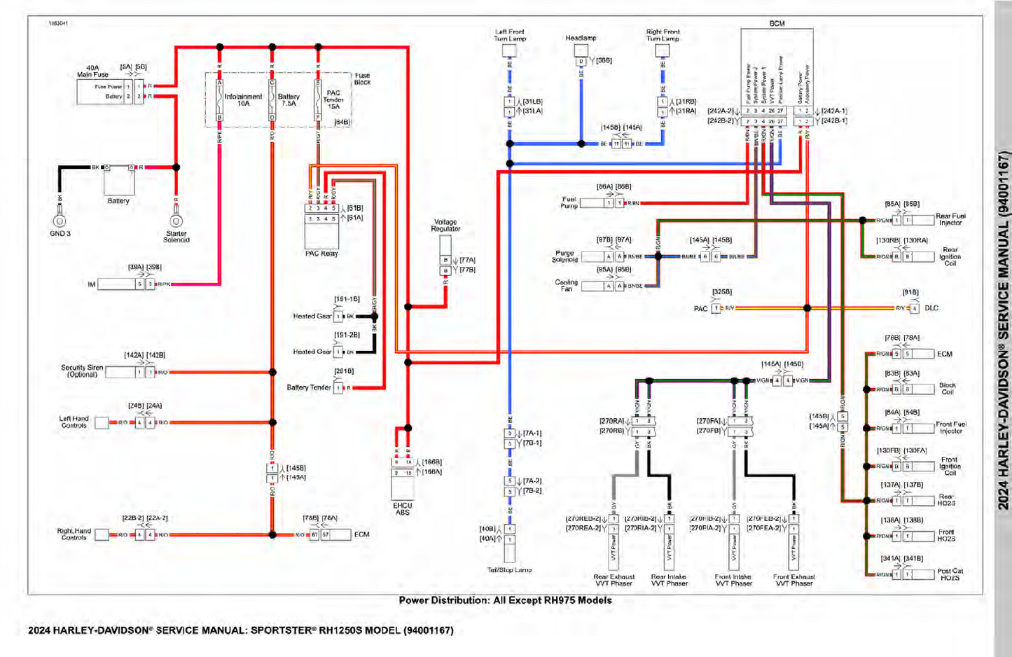
This Service Manual covers the 2024 Sportster RH1250S. This manual has the same structure as the printed version. It is bookmarked, linked and comes with wiring diagrams. The manual contains step by step instructions, and easy to read illustrations. Basically it covers everything from basic fluid changing instructions to rebuilding the motor.
The latest Adobe Reader is required to work with this eBook.
Models Covered:
- 2024 Harley Davidson Sportster RH1250S










C
Chris Churcher They can’t even get the oil change process correct. Avoid at all cost
I'm not sure what you mean. It looks like the entire process is covered on pages 37-38.