Harley Davidson 2024 Sportster RH975 Service Manual
Harley Davidson 2024 Sportster RH975 Service Manual
Couldn't load pickup availability
2024 Sportster RH975 Service Manual - PDF eBook Download - No Physical Book To Be Shipped
Manuals Included:
- Service Manual #94001168
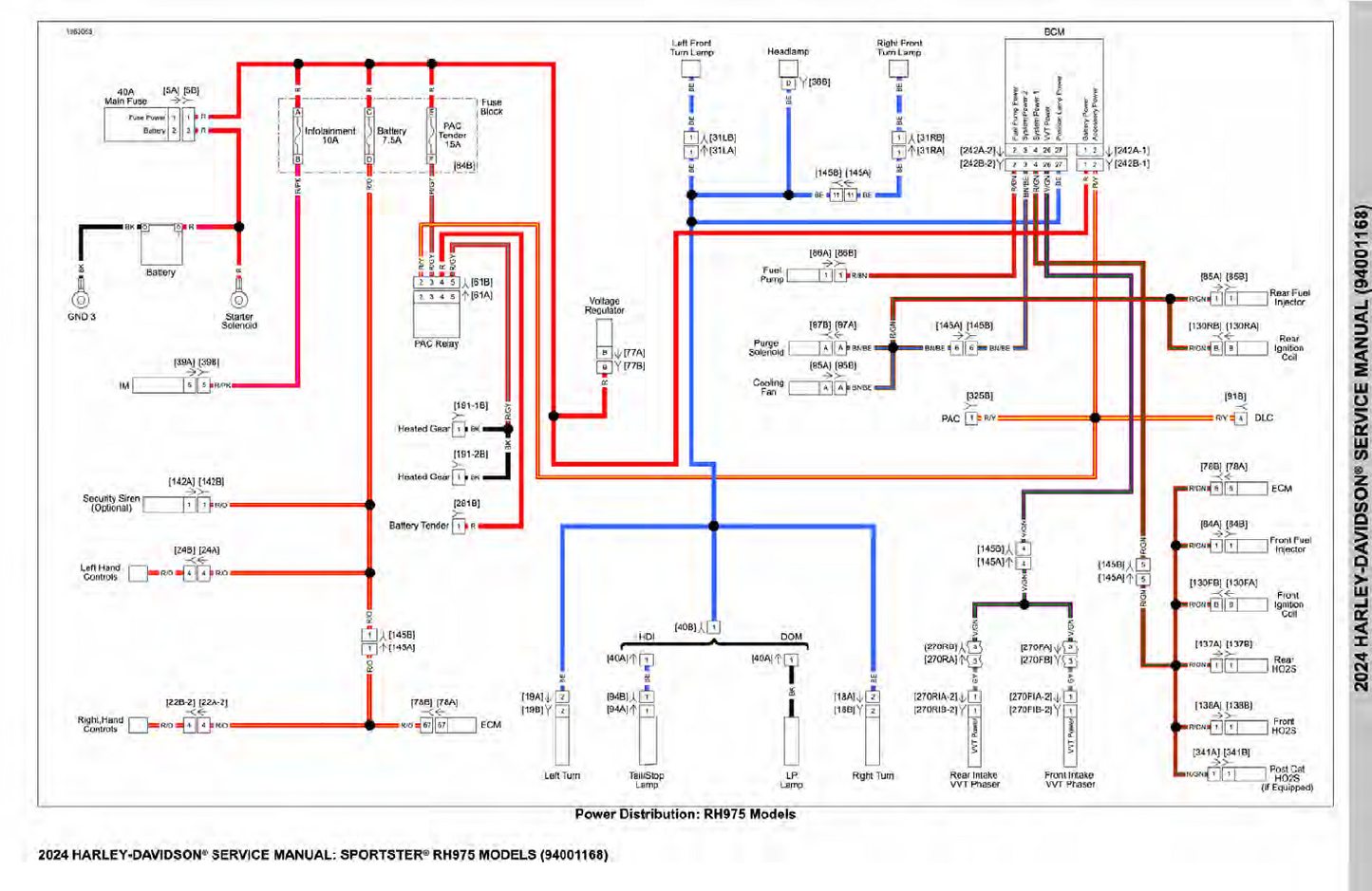
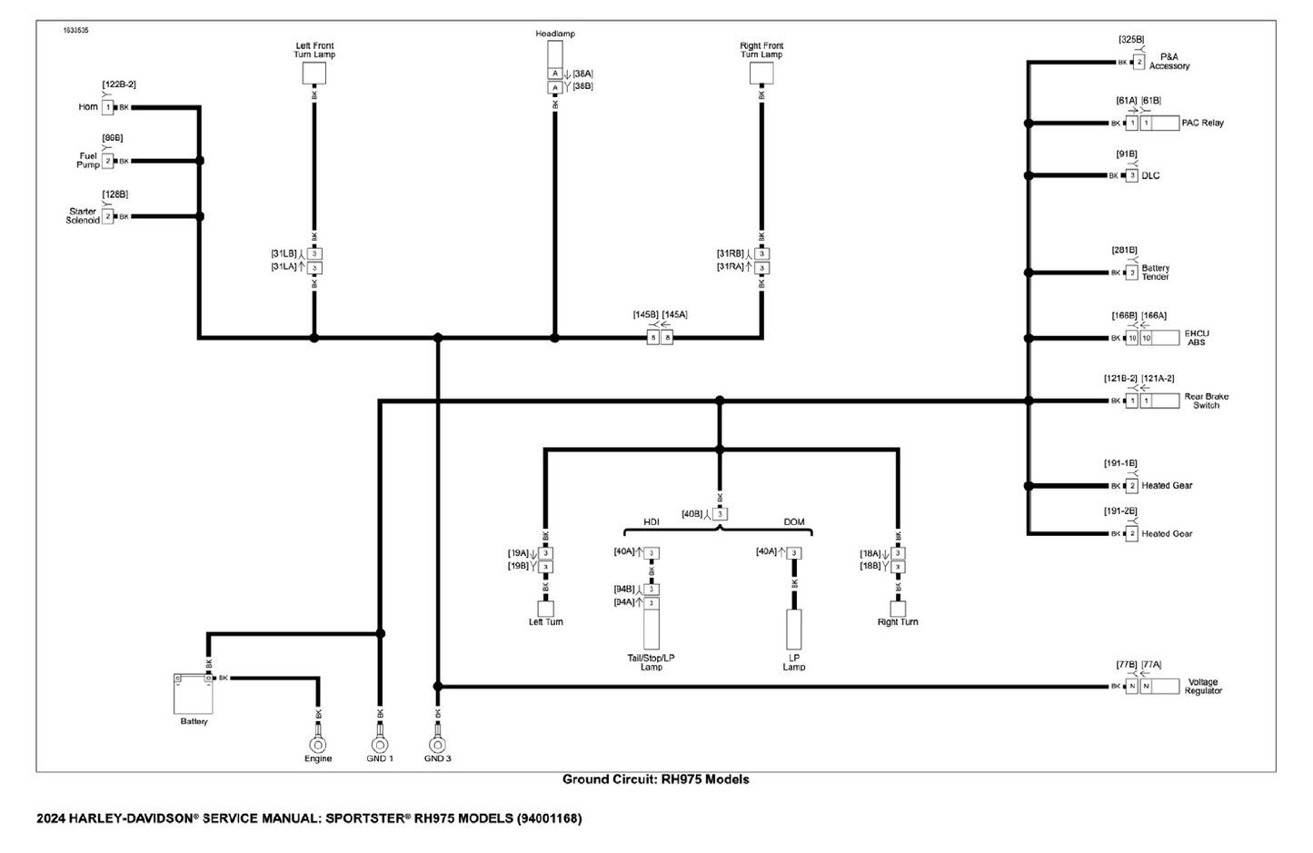
This Service Manual covers the 2024 Sportster RH975. This manual has the same structure as the printed version. It is bookmarked, linked and comes with wiring diagrams. The manual contains step by step instructions, and easy to read illustrations. Basically it covers everything from basic fluid changing instructions to rebuilding the motor.
The latest Adobe Reader is required to work with this eBook.
Models Covered:
- 2024 Harley Davidson Sportster RH975










I appreciated the manual, which helped me with my projects and mods without dealing with a physical manual that HD would've charged me hundreds for.
I was changing handlebars and I found out what I needed
Harley Davidson 2024 Sportster RH975 Service Manual
Good quality PDF, came in handy with my 2022 Nightster (there’s no change between the 2022 and the 2024 models)